爱普生内建电源自动侦测切换电路即时时钟解决方案vs.标准通用型即时时钟IC间设计差异说明
【序文】
一般来说,即时时钟是透过石英晶体谐振器的持续振荡以维持日历和时间的资料。因此,主电源关闭或异常的情况下,需要使用备用电池以防止时间资料流失;设计备用电池切换电路时,主电源与备用电池切换需在适当时间进行。
防止资料流失有两种方式:首先是电源管理大型积体电路LSI (large scale integration) ,但它的价格昂贵且占据电路板很多空间,因此追求低成本及简便,未能够支援电源侦测和切换功能所使用标准电路设计,大多会采用由两个二极体组成,用于当工作电源和备用电池电源间之电源电路切换,如【图一】。

【图一】透过外挂二极体或电路组成的电源开关电路,因二极体顺向偏压产生电压损失
然而使用二极体所组成的电源切换电路,存在几个难以控制的技术问题。本文将说明二极体组成的电源切换电路所导致的技术问题,多款爱普生即时时钟模组( Real Time Clock Module )除了提供自身极低消费电流,并可有效改善此电源使用效能问题,来延长工作或待机时间。
【1】 电池能量损耗
外挂二极体所造成的电压损耗具有两大特性。一个是 ”VF”顺向偏压(Forward Bias Voltage ),另一个是逆向漏电电流(IR )。一般来说,二极体的顺向偏压(VF)约为0.6[V]左右,当主电源为3.0V ,电压通过二极体的电压将降为2.4[V](图一) ,当使用可充电电池或超级电容(EDLC )进行充电时,这种电压降会导致充电电压降低,从而缩短了备用电池,当被充电后的续电能力。
基于上述原因,不少硬体工程师会使用低偏压压降损失的肖特基二极体,但肖特基二极体的逆向漏电电流值较大,如果逆向漏电电流” IR ” ( reverse leak current )较大,当主电源关闭时,电流会从电池流向0V主电源,并且可能会消耗电池,如下【图二】,

【图二】主电源关闭时逆电流(IR)导致的漏电(虚线)
此外,肖特基二极体的温度特性,为正温度特性,当温度越高逆向漏电电流(IR )容易随着环境温度升高而急遽变大【表一】。

【表一】肖特基二极体/逆向漏电电流(IR)温度特性
基于这些原因,电路设计工程人员便需要考量产品的工作温度范围,选择与产品整体条件相匹配的VF和IR平衡下,较佳的二极体规格,但要找到这种设计平衡并非是件易事,除非拥有经年丰富类比电路设计经验。
【2】 MPU和RTC资料存取时,易存在潜在风险
二极体的顺向偏压(VF )会导致MPU和RTC的电源电压之间产生电位差。
如果MPU在此状态下读取即时时钟资料时,来自MPU的输入电压可能会超过RTC的输入电压额定值。当超过额定值时,内部暂存器可能会发生潜在风险,这是CMOS积体电路设计时的常见问题。此外,它还可能影响I/F输入、Output Enable (OE )的输入控制电压,和CMOS输出端的上拉电阻电压位准。
一般情况下,CMOS半导体的最大输入电压仅Vdd+0.3[V]以下。因此,即时时钟的+2.4[V]与MPU的+3.0[V]之间的电位差可能具有上述风险,如【图一】。
为了避免这些风险,就需要使用顺向偏压(VF )较低的肖特基二极体,但同时也面临着电池电流流向主电源的问题。
【3】 例,Epson RX-8111CE内建电源侦测和自动切换电路功能内部设计,
Epson RX-8111CE电源设计,和各种电源模式内部电路切换,和电流流向参考资料


RX8111CE内建电源切换电路
RX8111CE内部的电源切换电路是针对上述二极体组成的电源切换电路设计风险所提供的解决方案。
即时时钟模组采用了三个内部电源切换开关(Switch) ,可使电流在不通过内部二极体,产生顺向偏压造成电压损失的情况下,让Epson即时时钟模组工作。此外,爱普生的即时时钟模组进行电路设计时,不需设计外部二极体,仅需搭配少许的旁路电容,用于V DD与V OUT或V IO引脚,可有效利用电路板空间,并减少零件物料设计成本。
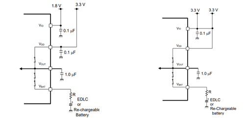
相关外部电源使用条件时,参考设计。
范例一、当V IO与V DD不同的电路设计范例二、当V IO与V DD相同的电路设计
范例三、非可充电电池的电路设计范例四、不需备用电池时电路设计