爱普生新世代SG-8201Cx与SG-8200Cx系列可程式化石英振荡器针对低抖动特性优化与突破
Low Jitter technology for Programmable Oscillator
一般来说,定频式石英晶体振荡器(Simple Package Crystal Oscillator/SPXO)的输出频率是由内建石英晶体谐振器来决定,而内建的石英晶体谐振器是专门为每个频率独立设计和制造;而可程式化石英晶体振荡器(Programable SPXO/P-SPXO)则可以透过PLL(Phase Locked Loop/锁相回路)电路自由选择输出频率。
与SPXO相比,P-SPXO样品递交时效可以更短,而且可以透过程式设计以输出使用者要求的任何频率。然而,由于PLL电路特性的影响,与SPXO相比,P-SPXO具有较高信号抖动的缺点。
在此技术文件,将会说明爱普生如何克服P-SPXO的相关缺点以及减少信号抖动所做的努力。
【低信号抖动的发展目标】
通常藉由透过设计具有更大SPXO的消耗电流,可以获得低抖动特性,这是因为提高石英振荡器信号的电压位准将会增加消耗电流,因此可以改善信噪比(信号/噪音比) ,同时也可改善了由杂讯所引起的抖动。然而基于这种设计的权衡,则必须产生更大的消耗电流才能获得低抖动特性。
为因应上述的权衡条件,我们采用以下公式中的FoM(Fugure of Merit ,品质因数)作为参考指标。该公式使用「相位抖动」和「消耗功率」来取代抖动特性和电流消耗的权衡条件,以此订定规范并标准化。
FoM [dB] = 20 log ( Jitter /1[s]) + 10 log ( Power /1[mW])
Jitter :相位抖动(Phase jitter)
Power :消耗功率(Power consumption)
爱普生SG-8101系列(P-SPXO)在FoM = -200 dB时具有低抖动特性,而定频式SPXO在FoM = -240 dB时可拥有更好的抖动性能。
为了能有效改善信号抖动特性,如何能够有效降低P-SPXO FoM成为了爱普生产品设计发展的重点,并以FoM = -225 dB做为新P-SPXO开发目标。而此目标对应于采用整数型PLL电路的低抖动PLL石英振荡器的FoM ,但整数型PLL电路仅限于达成内建石英晶体谐振器整数倍的频率。
因此,爱普生采用了可自由设置任何频率的小数型PLL电路来实现整数类型PLL电路特性的FoM目标。
此外,我们以小型化和高精度为目标,以符合市场趋势和“高效率(省) 、小尺寸(小) ,高精度(精)”的制造理念。
时至今日,我们已具体将面积比降低64% ,并将工作温度范围从+105°C扩展到+125°C ,与目前的SG-8101系列相比,SG-8201系列实现了FoM = -225 dB的设计目标。
最终,我们成功地打破了这种权衡,开发出此具有低消耗电流和低抖动特性的最新世代SG-8201系列(P-SPXO),并计划准备进入商业化量产阶段,

图1.信号抖动与消耗功率比较
【PLL电路的低抖动技术】
PLL电路(锁相回路) ,如下图2所示。

图2. PLL电路(Phase-Locked Loop锁相回路)
由石英晶体振荡器所产生的参考时脉讯号输入到PLL电路时,可以根据PLL电路分频器的分频比将时脉讯号调整到目标频率之后再输出,但抖动特性将会因为PLL电路的频率调整而恶化。透过找出是从PLL电路的哪个部分而导致抖动特性恶化的影响并加以对其进行改善,将可实现低抖动特性的开发目标”打破抖动特性和电流消耗之间的权衡” 。
・用于VCO的低抖动技术
VCO是电压控制振荡器,其频率特性可以通过调整控制电压进而改变。
有两种类型的VCO电路,一种是环形VCO ,另一种是LC VCO 。此两种电路设计
如图3和图4所示.
图3.环形VCO (Ring VCO) 图4. LC VCO
环形VCO是由奇数个反向放大器组成并以正回授连结的电路配置,并根据控制电压以改变提供给反向放大器的电流来控制其频率。环形VCO的电路尺寸小,电流消耗低,但抖动特性易受到影响。
爱普生的SG-8101系列(P-SPXO)石英振荡器则是采用环形VCO ,然而其发展目标是优先考虑小尺寸和低电流消耗特性。
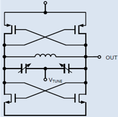
另一方面,LC VCO是由LC谐振电路的设计,并且透过对于可变电容施加控制电压以及改变电容来控制频率,由于LC VCO具有良好的抖动特性,我们试图透过以LC VCO来实现低抖动特性的开发目标。
然而,集成线圈存在问题,因为与环形VCO相比,它占用了较大的IC面积,但如果线圈设计得更小,电感值也会变小,从而增加VCO的电流消耗。为了解决这个问题,我们专注于涡流。由于周围导体中产生的涡流导致线圈的Q和电感值降低,因此我们研究了一种抑制涡流产生的方法,透过使用电磁场模拟器检查各种布线形状并找到最小化Q值降低的设计,同时,线圈占用面积也需尽可能小。
而在我们的Fab进行试作并实际确认IC的效果后,我们发现使用LC VCO可以用来改善抖动特性。
・低抖动特性目标实现,兼具小尺寸与高精度
爱普生的产品开发目标,包括「小尺寸」和「高精度」以及低抖动。
因此,在新产品开发目标,SG-8201系列也开发出小于SG-8101系列的产品尺寸。

图5.功能区块图(SG-8101系列与SG-8201系列)
虽然LC VCO成功实现小型化,但仍大于SG-8101系列使用的环形VCO面积,因此有必要对PLL以外的其他电路进行小型化。
其中,温度补偿电路占据了仅次于PLL电路的第二大面积,温度补偿电路对于实现高精度非常重要,特别是对应+ 125°C的工作温度条件。因此我们决定对传统的温度补偿电路进行重大改变。
AT切割型石英晶体谐振器的频率温度特性,具有三次方函数特性曲线。
温度补偿电路产生三次方函数特性曲线的电压,并根据电压改变石英振荡器的频率,以消除石英晶体谐振器的频率温度特性,而透过使用该温度补偿电路产生三次方函数特性曲线电压的流程,可维持原始频率补偿解析度,我们更具体将电路面积减少约20% 。
除了上述技术发展之外,我们还重新检视了频率控制电路的设计,进一步达成优化电路布局,以减小IC尺寸并改善信号抖动特性。因此,我们实现了FoM = -225 dB的发展目标,突破了抖动特性和电流消耗之间的权衡,同时具备了小尺寸以及高精度特性。
【产品比较】
图6.为SG-8201系列(蓝线)的相位杂讯和相位抖动特性。
与SG-8101系列(红线)相比,它实现了更为显著的低信号抖动特性。

图6.信号抖动特性比较表(SG-8101 vs. SG-8201系列)
【结语】
SG-8201系列(P-SPXO)具有低抖动特性、小尺寸、高精度等特点,适用于各种应用,有助于提升客户产品价值最大化。